
Planning to import or manufacture jewellery for sale in Canada? This guide serves as an introduction to compliance requirements for children’s jewellery, precious metals, and packaging.
Content Overview
FREE CONSULTATION CALL (30 MIN)
Ask questions about compliance requirements
Countries/markets:
Learn how we can help your business
You will speak with:Ivan Malloci
Children’s Jewellery Regulations
Jewellery appealing primarily to children under 15 years of age must comply with the following substance restrictions:
- Lead: 90 mg/kg
- Camdium: 130 mg/kg
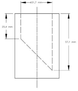
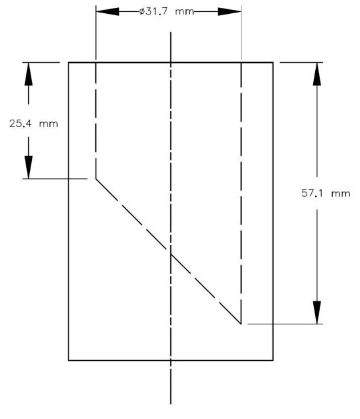
Jewellery containing lead or cadmium above the set limits cannot be sold in Canada. Note that the cadmium restriction only applies to jewelry or jewelry parts that fit inside a cylinder of the following size:
Image source: Children’s Jewellery Regulations SOR/2018-82
Note that the substance level must be verified through testing based on the GMP principles outlined in ENV/MC/CHEM(98)17.
Precious Metals Marking Act
The Precious Metals Marking Act sets requirements for the marking of precious metal articles. This includes jewellery and individual jewellery parts made of precious metals.
Precious metals
The following precious metals are covered by the Precious Metals Marking Act:
- Gold
- Palladium
- Platinum
- Silver
- Alloys of the listed metals
- Other metals designated by the regulations as a precious metal
Requirements
Quality making indicating the metal and its purity can be affixed only if it meets the requirements under the Precious Metals Marking Regulations.
The following information can accompany the quality mark:
- Numerals
- Dealer name or initials
- Other marks
The fundamental principle is that any number indication must be calculated based on the accepted methods and can never mislead or deceive buyers.
National marks
You can affix a national mark to precious metal jewellery that meets the following conditions:
a. The product is manufactured in Canada
b. The precious metal meets the quality requirements set by the regulations
You must also apply to the Commissioner of Competition before using the national marks.
Precious Metals Marking Regulations
The Precious Metals Marking Regulations provide detailed requirements for the marking of precious metal jewellery. It sets requirements concerning terminology and other requirements for affixing quality marks to the following types of precious metal jewellery:
Solid metals
- Gold jewellery
- Silver jewellery
- Sterling silver jewellery
- Platinum jewellery
- Palladium jewellery
Plated jewellery
- Gold filled jewllery
- Rolled gold plate
- Gold-plated jewellery
- Silver-filled jewellery
- Silver-plated jewellery
- Vermeil jewellery
Technical parameters
The regulations provide detailed quality requirements that must be met before you can affix a quality mark using a specific term. Here are two examples:
| Quality mark | Requirements |
| Gold expressed in karats | Minimum 9 karats |
| Silver or sterling silver | Minumum 92.5% pure silver |
It gets more complex for plated jewelry, as additional factors must be taken into consideration:
- Quality of the metal used for plating
- Quantity/quality of the article (after plating)
- Plating method
Detailed requirements for plated jewellery can be found in section 7 of the Precious Metals Marking Regulations.
Exemptions
Note that some types of jewellery parts are exempt. Here are a few examples to which exemptions apply (in some cases conditionally)
- Brooch pins
- Brooch joints
- Brooch catches
- Hat pin stems and sockets
- Scarf pins
- Bracelet tongues
- Earring setting posts
- Hinge assemblies
Jewellery Packaging Labelling
Consumer product packaging must comply with the requirements set by the following:
- Consumer Packaging and Labelling Act
- Consumer Packaging and Labelling Regulations
Required label information
- Net quantity
- Product identity (common or generic name, or functionality)
- Other information required by the act and regulations
- Company identity and principal place of business
Importer
If you are importing jewellery to Canada, then you must use the term imported by” (“importé par”) or “imported for” (“importé pour”) before the company.
Language requirements
The label information must be provided in both English and French.
Placement and other requirements
Additional requirements concerning label placements, formats, and other requirements can be found in the Consumer Packaging and Labelling Regulations.
FAQ
Is hallmarking required in Canada?
We could not find any statement in the Precious Metals Marking Act or the Precious Metals Marking Regulations stating that selling precious metal jewellery without hallmarking ( quality marking) is prohibited. However, when a hallmark is affixed, it must meet the requirements outlined in the Act and Regulations.
Which substances are restricted in jewellery sold in Canada?
Restrictions apply to lead and cadmium in children’s jewellery. That said, the following substance regulations can also be relevant:
- Canadian Environmental Protection Act, 1999 (S.C. 1999, c. 33)
- Prohibition of Certain Toxic Substances Regulations, 2025 (SOR/2025-270)
- Prohibition of Certain Toxic Substances Regulations, 2012 (SOR/2012-285)
- New Substances Notification Regulations (Chemicals and Polymers) (SOR/2005-247)






